Hogar -> Juguetes -> Exteriores

Financiación de 2 a 36 meses (inmediata) +info
El parque infantil Crossfit + columpio tiene muchos elementos para trepar y es ideal para niños grandes. La mejor manera de hacer ejercicio es jugando.
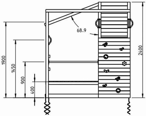
El parque Crossfit tiene dos arcos con una plataforma que las conectan. Tiene una pared de escalada que sube hasta la plataforma superior de 150 cm de altura. Se puede subir en la plataforma por una red de escalada y bajar por el tobogán. En los otros lados tiene dos barras para hacer volteretas, una a 90 cm y la otra a 145 cm de altura y finalmente tiene una escalera de mono encima de una plataforma a 40 cm de altura. La escalera de mono tiene una altura de 200 cm respecto a la plataforma. La plataforma sirve de banco.
El parque infantil Crossfit tiene las siguientes medidas:
3,60 m (largo) x 4,77 m (ancho) x 2,40 m (alto)
La altura de la plataforma del tobogán es de 1,50 m
La rampa del tobogán es de 3 m de largo
Debe dejar 2 metros alrededor de zona de seguridad.
El parque infantil Crossfit se le pueden incluir muchos accesorios para el columpio como anillas, trapecio, también se le puede poner el módulo challenger, se le puede poner un aro de baloncesto, una barra de bombero en lugar de la rampa de tobogán y mucho más.
La rampa del tobogán es de HDPE que resiste bien la corrosión y, por tanto, es adecuado para estar en la intemperie.
En la rampa se le puede conectar en verano una manguera para que baje el agua por la rampa. Es en consecuencia una combinación que ofrece muchas posibilidades de diversión para los niños.
Si lo desea, puede cambiar la rampa de tobogán por un poste de bomberos para deslizarse. Esta es una buena opción para espacios más reducidos, ya que el poste de bomberos ocupa mucho menos espacio que el tobogán y los niños también lo disfrutarán.
Los parques infantiles de la marca Masgames están homologados para el jardín de una casa particular. La gama de torres de juego Masgames está completamente desarrollada internamente por un equipo de experimentados diseñadores, para asegurar un resultado con construcciones sólidas, con un diseño fresco y atractivo. Para garantizar el máximo nivel de calidad y seguridad, todas las estructuras de juego son revisadas, probados y certificados por TÜV Nord.
Edad recomendada de 3 a 12 años

33199 Granda SIERO - Principado de Asturias
33600 Mieres - Principado de Asturias





